您的位置:首页> 宿州市埇桥区人民政府 > 安全生产领域 > 重大领域信息公开 > 财政资金信息
信息分类: 其他,其它,个人,企业 内容分类: 财政资金信息
发文日期: 2023-02-07 08:56:24 生成日期: 2023-02-07 08:56:24
生效时间: 废止时间:
发布机构: 宿州市埇桥区人民政府 文  号:
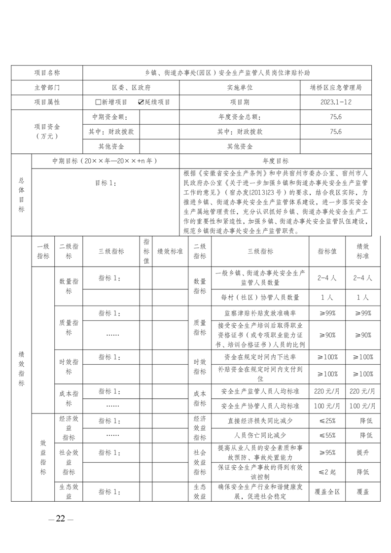
名  称: 埇桥区应急管理局2023年部门预算
词:

埇桥区应急管理局2023年部门预算

文章来源: 宿州市埇桥区应急管理局 浏览量: 发表时间:2023-02-07 08:56 责任编辑: 埇桥应急管理局
字体大小:【    】


























Baidu
map