长辈版
无障碍
繁体中文
您的位置:
首页
> 宿州市埇桥区人民政府
>
生态环境领域
>
公共服务
>
污染源信息
信息分类:
其他,城乡建设、环境保护,企业
内容分类:
污染源信息
发文日期:
2024-03-06 11:06:13
生成日期:
2024-03-06 11:06:13
生效时间:
废止时间:
发布机构:
宿州市埇桥区人民政府
文 号:
名 称:
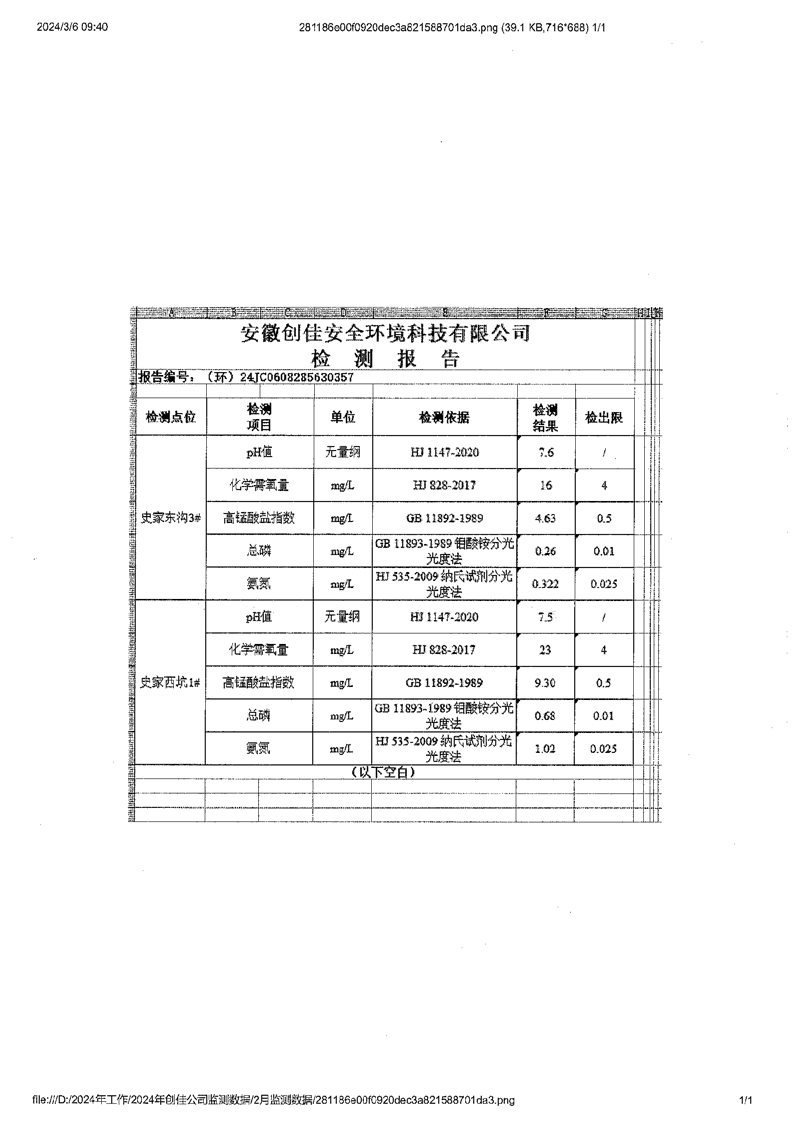
2024年2月份污染源监测信息
关
键
词:
2024年2月份污染源监测信息
文章来源: 宿州市生态环境局埇桥分局
浏览量:
发表时间:2024-03-06 11:06
责任编辑: 生态环境局埇桥分局
字体大小:
【
大
中
小
】
map