长辈版
无障碍
繁体中文
您的位置:
首页
> 北关街道办事处
>
社会保险领域
>
工伤保险服务
信息分类:
内容分类:
工伤保险服务
发文日期:
2025-03-07 10:42:02
生成日期:
2025-03-07 10:42:02
生效时间:
2025-03-07 10:42:02
废止时间:
发布机构:
北关街道办事处
文 号:
名 称:
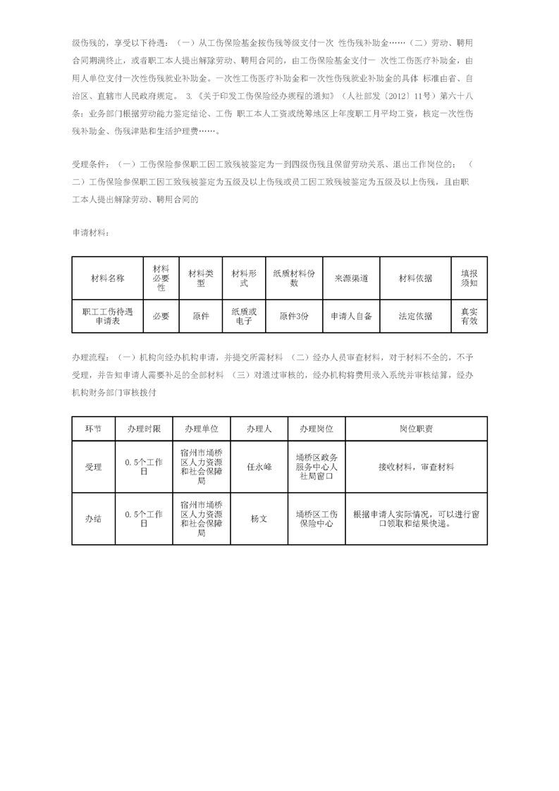
【办事指南】伤残待遇申领(一次性伤残补助金、伤残津贴和生活护理费)
关
键
词:
【办事指南】伤残待遇申领(一次性伤残补助金、伤残津贴和生活护理费)
文章来源: 北关街道办事处
浏览量:
发表时间:2025-03-07 10:42
责任编辑: 北关街道办事处
字体大小:
【
大
中
小
】
map